Stream - Industrial Fire-fighting Pumps - SEN80-160
Description
SEN series close coupled centrifugal pumps are with single impeller, which manufactured according to European standards EN733; SEN series are widely used in water supply for living uses; industrial uses and general water plants projects;water supply;spray irrigation and pressure sets, heating and air-conditioning plants etc.
Pump Specifications
- Discharge flange diameter: DN32 – DN80 mm
- Capacity Q range: 4.5m3/h - 240m3/h (50HZ)
- Head H range: 10m – 92.5m
- Operating speed: 2900RPM (50Hz)
Operation Conditions
- Working Temperature Range: -10? ~ +90?
- Max. Allowable Working Pressure(MAWP): 10bar
- Hydro-static Test Pressure = 1.3 times the maximum discharge pressure, but not exceed 13 bar)
Construction Features
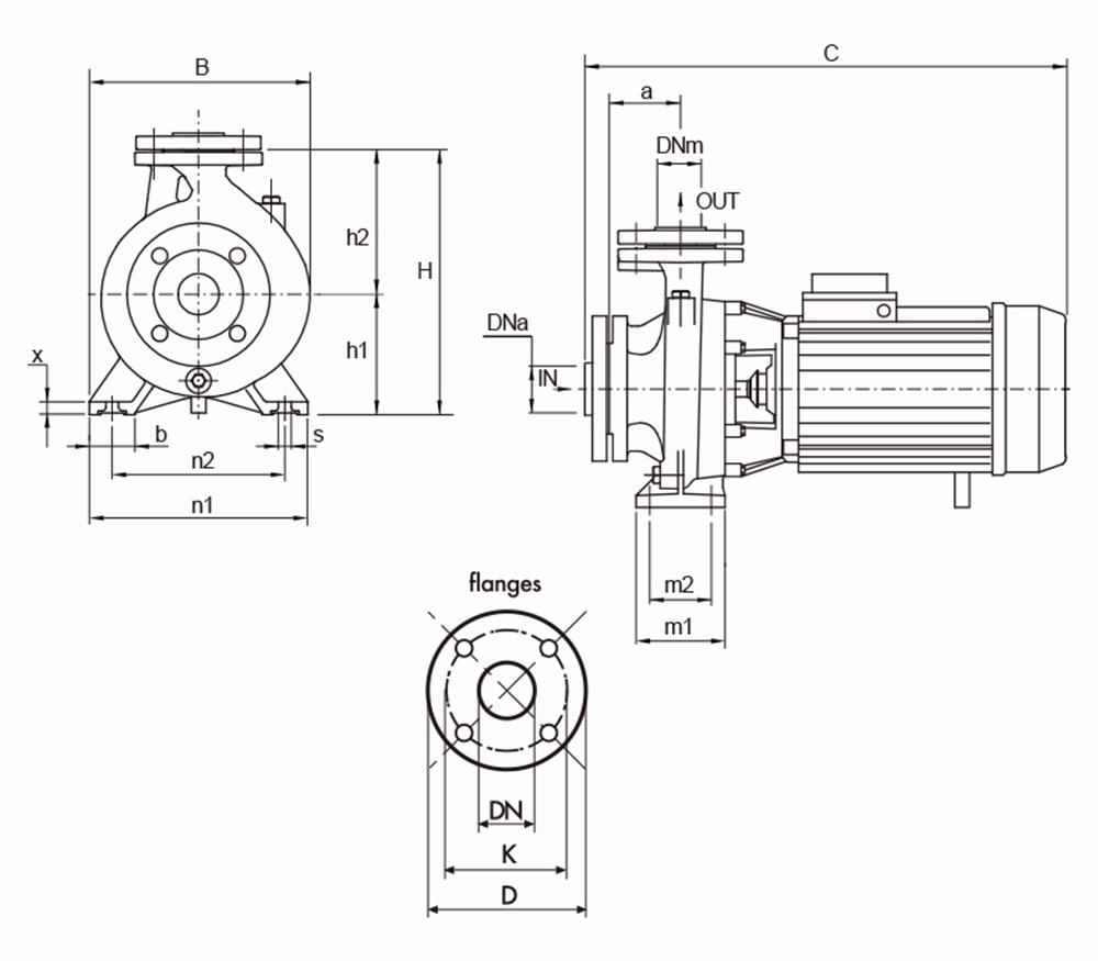
- Main dimensions: Apply to EN733 (DIN24255) standard and backpull out type
- Casing structure: End suction, center radial discharge
- Flange pressure rate: ISO7005.2 PN1.6MPa
- Shaft seal: Single mechanical seal(Graphite / Silicon carbide / Ceramic / NBR / FPM / SS304 / SS316) According to Standard EN 12756
- Driven shaft: Pump and motor flanged together to form a close-coupled unit, with common shaft.
Benefits:
- Advanced high efficiency design
- Reliability
- Distinguished heat dissipation
- Silence running
- Compact structure




