Stream - Domestic Peripheral Pumps - SP
Applications and installation:
These pumps with peripheral impeller are able to offer high pressure in relation to comparatively low powers and which have particularly steady operating curves.
Forthe correct functioning of the pump, use to pump clean water, or non-aggressive liquids only, without sand or other solid impurities.
They are qualified in domestic fitting, to increase the system pressure in aqueducts and for automatic water distribution by auto calve tanks and by hydrosphere units.
Pumps should be installed in a covered area, protected against the weather.
Operating limitations:
- Liquid temperature up to 60?
- Ambient temperature up to 40 ?
- Total suction lift up to 9m
- Continuous duty
Construction features:
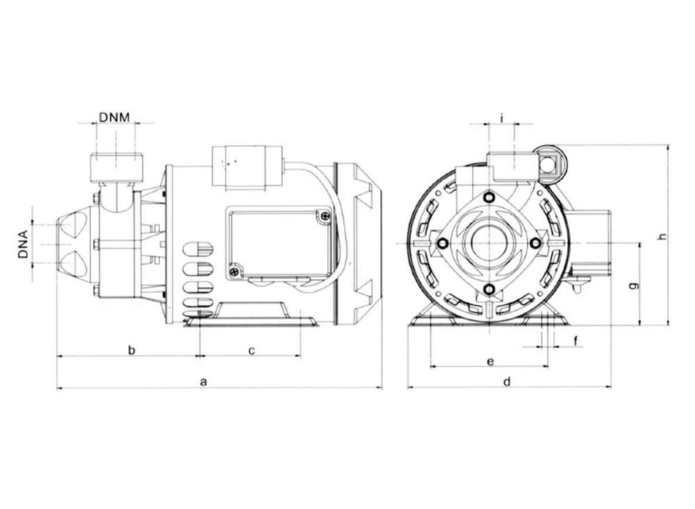
- Pump
- Pumpbody: cast iron
- Impeller:brass
- Mechanical seal: carbon/ceramic/stainless steel
- Motor
- Single Phase
- Heavy duty continuous work
- Motor housing: aluminum
- Shaft:carbon steel/stainless steel
- Insulation:class B/Class F
- Protection:IP44/IP54
- Cooling:external ventilation
 
                                        



